BSK 1/2英吋 鋁合金氣動雙隔膜泵浦 BP15AL
BSK 氣動雙隔膜泵浦 BP15AL ,口徑 1/2“ 接液部材質為鋁合金製成,專為高黏度、高腐蝕性流體輸送而打造
產品特性
- 專利陶瓷氣閥:耐磨、不卡機,運轉效率高。
- 中心體零件數最少:簡少耗材,維修簡易。
- 高通用性:零件共用率高,不需準備一堆備品。
- 應用性廣:多種材質選擇,可適應多種流體性質。
BP15AL 氣動雙隔膜泵浦 產品規格
性能參數
型號:BP15AL-XXXX-X
尺寸:1/2 英吋
本體材質:鋁合金
工作氣壓:0.15 - 0.69 MPa
最大流量:45.3 L/min
最大乾吸高度:4 m
最大通過顆粒:2.5 mm
噪音值:75 dB
重量:3.1 kg
零件材質表
| 閥座 | 球體 | 膜片 | O型環 | 口徑形式 |
|---|---|---|---|---|
|
|
|
|
|
如何挑選出適合的隔膜泵浦型號?
請參考以下泵浦零件材質表,依照所使用的流體性質,挑選各零件的期待材質。
將代碼,依照型號規則排列,即可選出適合的型號機型。
型號規則:
BP15AL- 閥座+球體+膜片+O型環 - 口徑形式
舉例來說,型號 BP15AL-S991-A 所使用的零件材質為:
閥座:S-不銹鋼
球體:9-熱塑性橡 Santoprene
膜片:9-熱塑性橡 Santoprene
O型環:1-NBR 丁腈橡膠
口徑形式:A-BSP 管螺紋
以此類推,即可找出適合您使用場景的機型
若不清楚如何選擇,歡迎與我們聯絡,鼎飛企業會為您提供最專業選擇及判斷
立即詢問
性能曲線圖
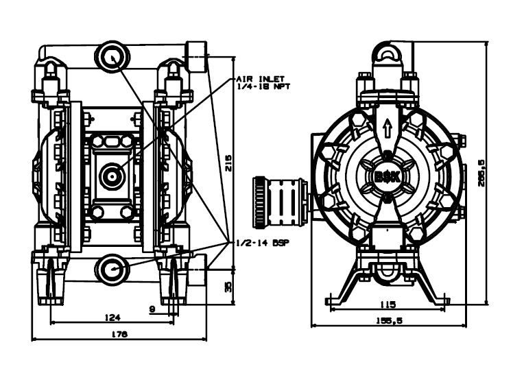
外觀尺寸圖
應用場景

化學酸鹼藥劑

高黏稠度流體

食品與飲料

防暴區域

污水與廢液

製藥與生技

礦業與建材




