BSK 2.5英吋 FDA 食品級 氣動雙隔膜泵浦 FD77
BSK FDA 食品級氣動雙隔膜泵浦 FD77 ,口徑 2.5“ 為 316 不鏽鋼製成,專為食品、製藥、酒類、保養清潔品...等衛生級流體輸送而打造
產品特性
獨特設計採用自排空流道,優化泵的性能,並可執行在線清洗(CIP)功能,確保輸送流體無污染。- 清洗流程簡便:無需拆卸,即排出泵內殘留物料。
- 頂級材質:泵接液件材質為 316 不鏽鋼,內部拋光無污染。
- 可輸送大顆粒固體:有球閥及片閥可選,加大輸送顆粒徑,連雞蛋大小都可通過。
- 應用場境:輸送食品(牛奶、辣椒醬、溏心蛋、糖漿)、化妝品、個人護理產品、藥物
FD77 食品級氣動雙隔膜泵浦 產品規格
性能參數
型號:FD77-XXXX-X
尺寸:2.5 英吋
本體材質:不鏽鋼
最大工壓:120 psi
最大流量:621 lpm
最大乾吸高度:5.6 m
最大通過顆粒(球閥):9.5 mm
最大通過顆粒(舌閥):38 mm
噪音值:75 dB
重量:47 kg
零件材質表
| 閥座 | 球體 | 膜片 | 密封墊 | 流體蓋及表面處理 |
|---|---|---|---|---|
|
|
|
|
|
如何挑選出適合的隔膜泵浦型號?
請參考以下泵浦零件材質表,依照所使用的流體性質,挑選各零件的期待材質。
將代碼,依照型號規則排列,即可選出適合的型號機型。
型號規則:
FD77- 閥座+球體+膜片+密封墊 - 流體蓋及表面處理
舉例來說,型號 FD77-STT7-D 所使用的零件材質為:
閥座:S-不銹鋼
球體:T-鐵氟龍 PTFE
膜片:T-鐵氟龍 PTFE
密封墊:7-矽膠 Silicone
流體蓋及表面處理:D-機械拋光
以此類推,即可找出適合您使用場景的機型
若不清楚如何選擇,歡迎與我們聯絡,鼎飛企業會為您提供最專業選擇及判斷
立即詢問
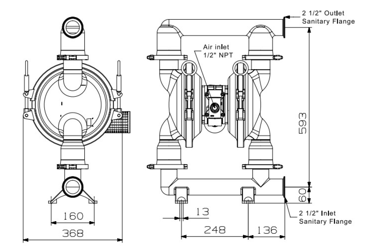
外形尺寸圖
應用場景

高黏稠度流體

食品與飲料
